Hej! zaczekaj :)
W Twoim koszyku są produkty!
Mamy dla Ciebie kupon rabatowy: koszyk
Użyj kuponu "koszyk" i uzyskaj od 5 do 15% rabatu w zależności od wartości koszyka. Sprawdź teraz! [rabat nie dotyczy produktów w promocji]

Administratorem danych osobowych jest Domfort Sp. z o.o. . Przetwarzamy je w celu przesłania odpowiedzi na zapytanie. Więcej informacji dotyczących przetwarzania danych osobowych znajduje się w polityce prywatności.
Cena dostawy dotyczy tego produktu (w wybranym wariancie - jeśli dotyczy). Może się ona zmienić po dodaniu innych produktów do koszyka.
Dostępność: w sprzedaży
Dostawa: 1-2 dni
Kod produktu: LEO/P/70/KONF
Producent: Kratki PRO
Wybierz wariant produktu:
Poszczególne warianty mogą różnić się ceną
Linia PRO to produkty dla Profesjonalistów spełniające najbardziej rygorystyczne normy ekologiczne, które wykonane są z doskonałej jakości materiałów, a zastosowane w nich rozwiązania technologiczne są na najwyższym światowym poziomie.

Kominek LEO 70 jest w pełni szczelny (można stosować go w domach z rekuperacją) oraz spełnia wszelkie normy, które pozwalają stosować go w budynkach mieszkalnych.
1. Rodzaj gazu:
2. Sterowanie:

LEO z panoramiczną wizją ognia, dyskretną ramką fasady i minimalną ilością elementów zewnętrznych sprawia, że po zabudowie na pierwszym planie jest ogień. Seria LEO przystosowana jest do palenia gazem LPG (z butli).
MAKSYMALNE WYKORZYSTANIE ENERGII
Nowatorski, elegancki wkład gazowy o horyzontalnej i realistycznej wizji ognia. Wysoka jakość wykonania, komfort i prostota użytkowania. Niezakłócona wizja ognia dzięki niewidocznej ramce fasady i minimalnej ilości widocznych elementów stalowych. Specjalnie zaprojektowany palnik zapewnia realistyczną wizję ognia, jak w prawdziwym kominku opalanym drewnem. Dodatkowa regulacja wysokości płomienia.
BEZPIECZEŃSTWO NA NAJWYŻSZYM POZIOMIE
Urządzenie posiada certyfikat CE, który gwarantuje bezpieczeństwo użytkowania, ochronę zdrowia i środowiska. Hermetycznie zamknięta komora spalania, która daje najwyższy stopień bezpieczeństwa; przy jakichkolwiek problemach z drożnością przewodu powietrzno-spalinowego lub dopływu gazu kominek jest automatycznie wyłączany.
WYGODNE UŻYTKOWANIE
Kontrola termostatyczna: całkowita kontrola za pomocą dotykowego pilota radiowego z wbudowanym termostatem. Możliwość wyboru paliwa - wkład z zamkniętą komorą spalania przystosowany do palenia gazem ziemnym lub LPG. Instalacja nie wymaga tradycyjnego komina - system przewodów koncentrycznych umożliwia instalację w pomieszczeniach bez komina, wystarczy wyprowadzić przewód poza ścianę budynku lub dach. Kontrola czasowa: możliwość programowania temperatury dobowej nawet z siedmiodniowym wyprzedzeniem. Urządzenie nie wymaga zewnętrznego źródła zasilania (posiada własny system zasilający). Centralka zasilana przez 4 baterie 1,5V. (opcjonalnie możliwość zakupu drugiego modułu zasilającego G 60-ZBE).
Komplet zawiera:

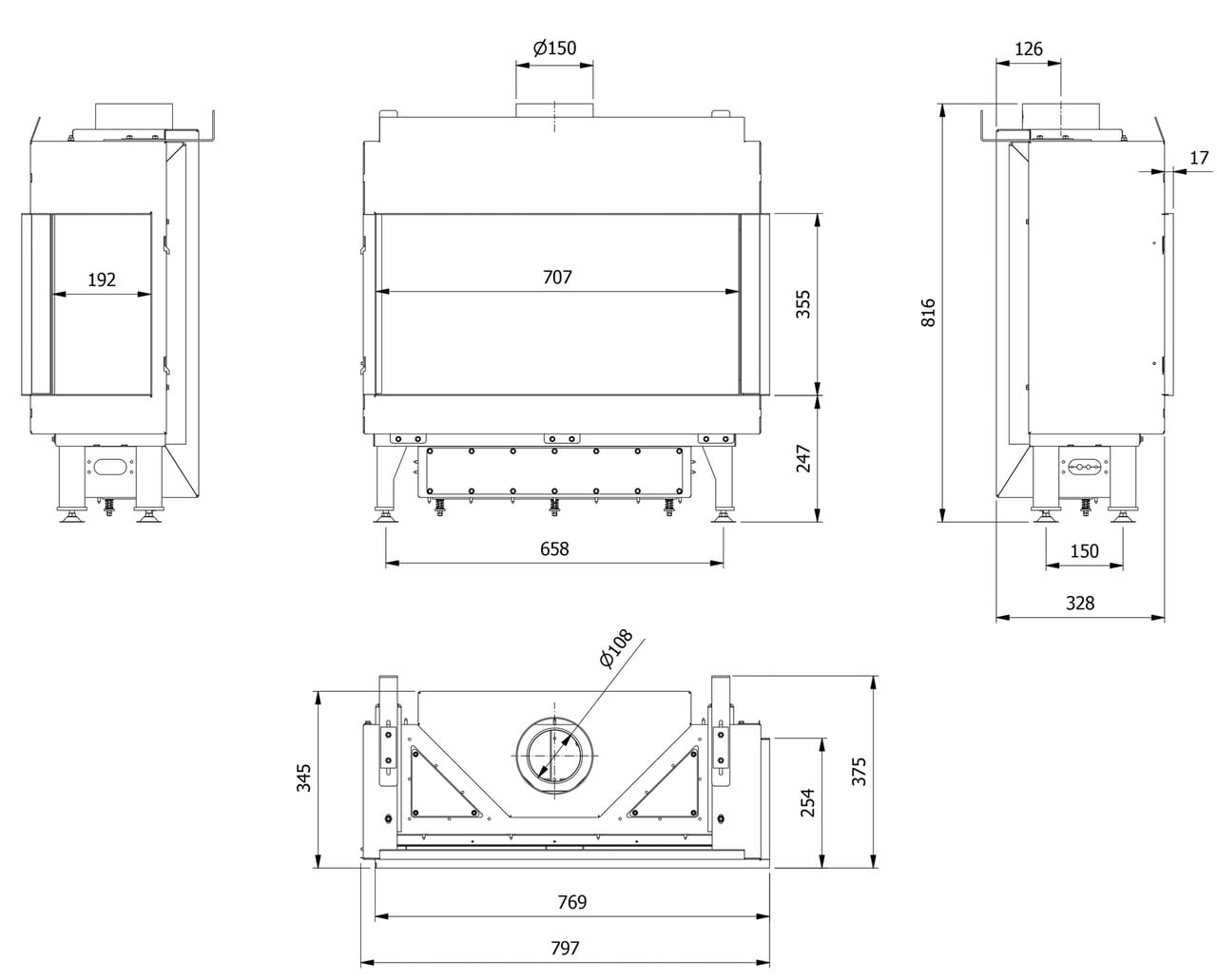
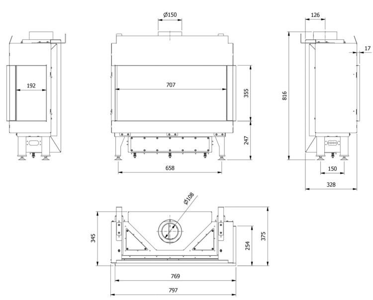
Dane techniczne wkładu LEO 70:
(dane techniczne mogą nieco różnić się w zależności od rodzaju gazu)
Gwarancja 5 lat (zarejestruj kominek po zakupie).
![]()
Darmowa dostawa
Dostawa gratis od 999,00 zł. Bezpłatny zwrot.
Produkty dostępne na www.extrakominki.pl są fabrycznie nowe i przeznaczone do sprzedaży na terenie Polski i UE. Wszystkie towary objęte są gwarancją, posiadają odpowiednie certyfikaty jakości i normy ekologiczne.
Możesz dokonać zwrotu produktów zakupionych w naszym sklepie. W tym celu należy w ciągu 14 dni od otrzymania przesyłki zgłosić chęć odstąpienia od zakupu, a następnie w kolejne 14 dni odesłać towar. Zwrot lub reklamację należy zgłosić drogą e-mailową na adres: biuro@extrakominki.pl.
Kominek gazowy Leo 70 prawy
Dostępność: w sprzedaży
Dostawa: 1-2 dni
Kod produktu: LEO/P/70/KONF
EAN: 5901350019801
Producent: Kratki PRO
Materiał: Urządzenie stalowe
Paliwo, opał: Gaz
Przeszklenie: Narożne Prawe
Otwieranie drzwi: Na bok
Dolot powietrza: Tak
Dom z rekuperacją: Tak
Szerokość: 71-80 cm
Moc nominalna: 7 kW (do 70 m²)
Producent: Kratki / Kratki Pro
Wkład kominkowy LEO 70 prawy na gaz ziemny to propozycja dla wszystkich, którym zależy na maksymalnym wykorzystaniu ciepła z kominka. Nowoczesne rozwiązania gwarantują oszczędność energii i sprawiają, że obsługa i czyszczenie urządzenia są bezproblemowe.
Pliki cookies umożliwiają poprawne działanie strony i pomagają nam dostosować ofertę do Twoich potrzeb. Możesz zaakceptować wykorzystanie przez nas wszystkich tych plików i przejść do sklepu lub dostosować użycie plików do swoich preferencji, wybierając opcję "Dostosuj zgody".
W tym miejscu możesz określić swoje preferencje w zakresie wykorzystywania przez nas plików cookies.
Te pliki są niezbędne do działania naszej strony internetowej, dlatego też nie możesz ich wyłączyć.
Te pliki umożliwiają Ci korzystanie z pozostałych funkcji strony internetowej (innych niż niezbędne do jej działania). Ich włączenie da Ci dostęp do pełnej funkcjonalności strony.
Te pliki pozwalają nam na dokonanie analiz dotyczących naszego sklepu internetowego, co może przyczynić się do jego lepszego funkcjonowania i dostosowania do potrzeb Użytkowników.
Dzięki tym plikom możemy prowadzić działania marketingowe.
Hej! zaczekaj :)
W Twoim koszyku są produkty!
Mamy dla Ciebie kupon rabatowy: koszyk
Użyj kuponu "koszyk" i uzyskaj od 5 do 15% rabatu w zależności od wartości koszyka. Sprawdź teraz! [rabat nie dotyczy produktów w promocji]