Hej! zaczekaj :)
W Twoim koszyku są produkty!
Mamy dla Ciebie kupon rabatowy: koszyk
Użyj kuponu "koszyk" i uzyskaj od 5 do 15% rabatu w zależności od wartości koszyka. Sprawdź teraz! [rabat nie dotyczy produktów w promocji]
Polecane Piece i Kozy
Polecane wkłady kominkowe
Co miesiąc setki kominków taniej!

Administratorem danych osobowych jest Domfort Sp. z o.o. . Przetwarzamy je w celu przesłania odpowiedzi na zapytanie. Więcej informacji dotyczących przetwarzania danych osobowych znajduje się w polityce prywatności.
Cena dostawy dotyczy tego produktu (w wybranym wariancie - jeśli dotyczy). Może się ona zmienić po dodaniu innych produktów do koszyka.
Dostępność: Sprawdź, biuro@extrakominki.pl
Dostawa: Zapytaj: biuro@extrakominki.pl
Kod produktu: LUANCO/N02/PIASKOWIEC
Producent: Romotop


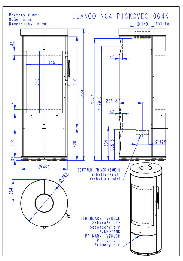
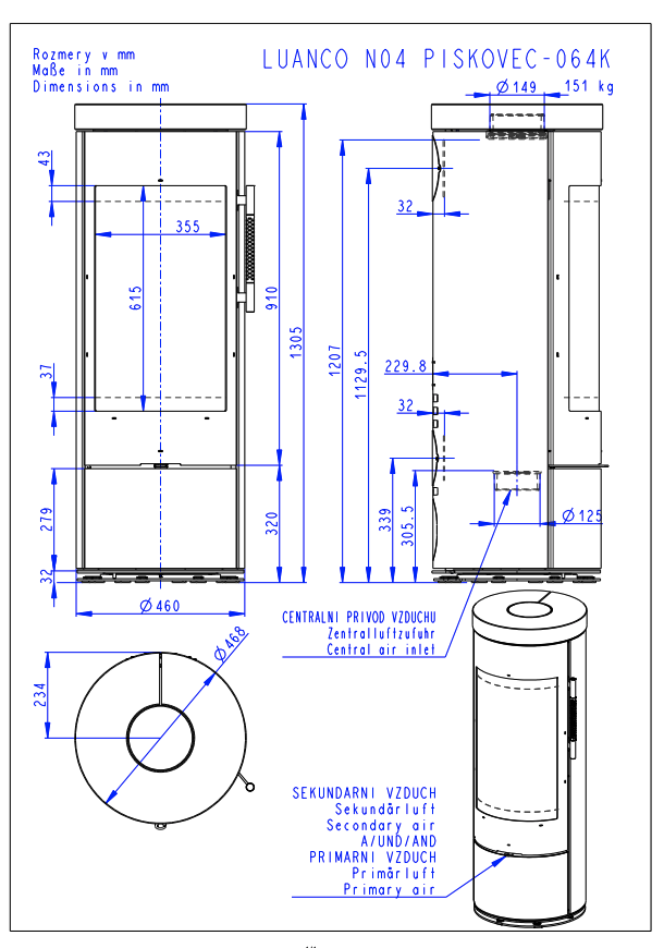
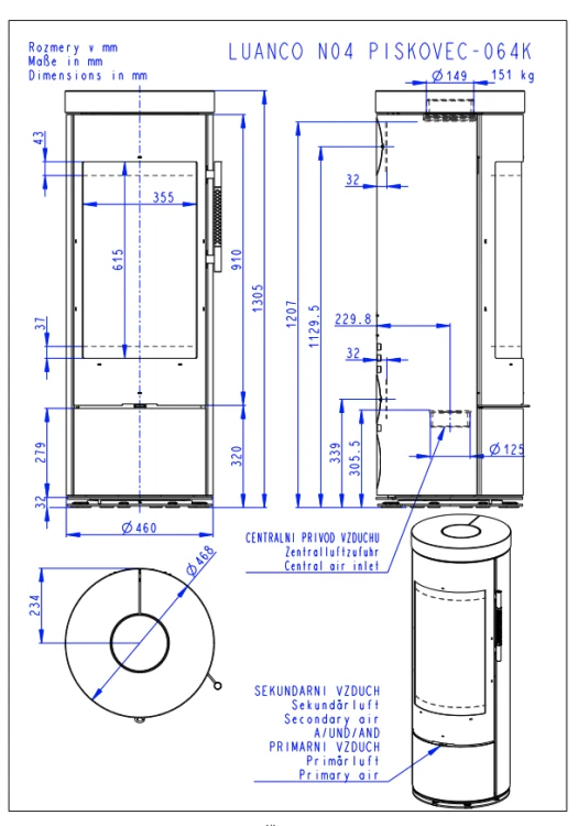
Wyprodukowany z 2 warstw blachy stalowej o grubości 2 mm (na zewnątrz) oraz 3-4 mm (wewnątrz). Blacha pomalowana jest matowym, żaroodpornym lakierem.
Na dnie paleniska znajduje się wyjmowalny ruszt żeliwny. Komora spalania jest obudowana wyjmowalnymi płytkami szamotowymi, zamykana jest drzwiami ze specjalnym szkłem o zwiększonej odporności cieplnej.
Szkło nie tylko zwiększa doznania estetyczne podczas oglądania ognia, ale także pozwala ciepłu dotrzeć na większą odległość dzięki jego promieniowaniu. Efekt ten podkreśla niesamowitą przyjemność podczas siedzenia kilka metrów przed kominkiem. Oszklenie także chroni przed wypadaniem iskier z płonącego drewna oraz uchodzenia dymu do pomieszczenia.
Górną powierzchnię blaszaną nad komorą spalania można wykorzystać do utrzymywania pokarmów i napojów w cieple.
Każdy piec jest wyposażony w samodzielne doprowadzenie powietrza pierwotnego i wtórnego.
Powietrze pierwotne jest doprowadzane bezpośrednio do palącego się paliwa (najczęściej przez popielnik i ruszt) i służy do pierwotnej reakcji spalania.
Ponieważ powietrze wtórne jest używane także do spalania resztek gazów w spalinach i jednocześnie zapobiega zaczernianiu szkła, zaleca się jego trwałe otwarcie podczas pracy.
Powietrze wtórne jest doprowadzane przede wszystkim do przestrzeni nad palące się paliwo, a przy przymknięciu lub zamknięciu dopływu powietrza pierwotnego bierze udział także w spalaniu pierwotnym.
Palenisko oraz osłona popielnika musi być zawsze zamknięta, oprócz uruchamiania, uzupełniania paliwa oraz usuwania resztek spalania, aby zapobiec unikowi spalin do pomieszczenia.
Piec wolno stojący LUANCO jest dostosowany do tylnego lub górnego doprowadzenia przewodu dymnego. Nie jest przeznaczony do pracy stałopalnej. Przeznaczony jest do ogrzewania lub dogrzewania pomieszczeń.
Podstawowym paliwem są suche polana drewna o średnicy 6-10 cm. i długości 20-30 cm. Najlepiej nadaje się: dąb, buk, grab, kasztan i akacja. Nie zaleca się stosowania drewna drzew iglastych oraz topoli.
Możliwość podłączenia zewnętrznego dopływu powietrza.
Dane techniczne:

![]()
Darmowa dostawa
Dostawa gratis od 999,00 zł. Bezpłatny zwrot.
Produkty dostępne na www.extrakominki.pl są fabrycznie nowe i przeznaczone do sprzedaży na terenie Polski i UE. Wszystkie towary objęte są gwarancją, posiadają odpowiednie certyfikaty jakości i normy ekologiczne.
Możesz dokonać zwrotu produktów zakupionych w naszym sklepie. W tym celu należy w ciągu 14 dni od otrzymania przesyłki zgłosić chęć odstąpienia od zakupu, a następnie w kolejne 14 dni odesłać towar. Zwrot lub reklamację należy zgłosić drogą e-mailową na adres: biuro@extrakominki.pl.
2026 ExtraKominki.pl - wszelkie prawa zastrzeżone.
LUANCO N 04 PIASKOWIEC
Dostępność: Sprawdź, biuro@extrakominki.pl
Dostawa: Zapytaj: biuro@extrakominki.pl
Kod produktu: LUANCO/N02/PIASKOWIEC
EAN: -
Producent: Romotop
Otwieranie drzwi: Na bok
Producent: Romotop
Elegancki, smukły kształt pieca kominkowego LUANCO N 04 piaskowiec idealnie podkreśli każde wnętrze. Obrotowe palenisko nie ogranicza Cię tylko do jednego miejsca, z którego możesz obserwować piękno żywego ognia.
Pliki cookies umożliwiają poprawne działanie strony i pomagają nam dostosować ofertę do Twoich potrzeb. Możesz zaakceptować wykorzystanie przez nas wszystkich tych plików i przejść do sklepu lub dostosować użycie plików do swoich preferencji, wybierając opcję "Dostosuj zgody".
W tym miejscu możesz określić swoje preferencje w zakresie wykorzystywania przez nas plików cookies.
Te pliki są niezbędne do działania naszej strony internetowej, dlatego też nie możesz ich wyłączyć.
Te pliki umożliwiają Ci korzystanie z pozostałych funkcji strony internetowej (innych niż niezbędne do jej działania). Ich włączenie da Ci dostęp do pełnej funkcjonalności strony.
Te pliki pozwalają nam na dokonanie analiz dotyczących naszego sklepu internetowego, co może przyczynić się do jego lepszego funkcjonowania i dostosowania do potrzeb Użytkowników.
Dzięki tym plikom możemy prowadzić działania marketingowe.
Hej! zaczekaj :)
W Twoim koszyku są produkty!
Mamy dla Ciebie kupon rabatowy: koszyk
Użyj kuponu "koszyk" i uzyskaj od 5 do 15% rabatu w zależności od wartości koszyka. Sprawdź teraz! [rabat nie dotyczy produktów w promocji]